+7 (912)-751-33-24Заказать звонок
Заказать звонок

Оставьте Ваше сообщение и контактные данные и наши специалисты свяжутся с Вами в ближайшее рабочее время для решения Вашего вопроса.

Ваш телефон
Ваш телефон*
Ваше имя
Ваше имя

* - Поля, обязательные для заполнения

Сообщение отправлено
Ваше сообщение успешно отправлено. В ближайшее время с Вами свяжется наш специалист
Закрыть окно
arbatex@list.ru
Каталог товаров
Подписка на новости магазина

Подпишитесь на рассылку и получайте свежие новости и акции нашего магазина.

Описание товара:

Переключатели галетные малогабаритные ПГ2-17-3П4НВ предназначены для коммутации электрических цепей переменного и постоянного тока.
422.60 руб. / шт Цена не является конечной и требует уточнения у менеджера.
Загрузка
Рассчитываем стоимость доставки
Пожалуйста подождите, рассчет займет немного времени

Описание товара

Описание


ПГ2-17-3П4НВ
Переключатели галетные малогабаритные ПГ2-17-3П4НВ предназначены для коммутации электрических цепей переменного и постоянного тока.
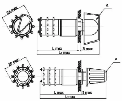
Переключатели изготавливают двух вариантов в зависимости от вида ручки.
Выполняются с вращательным приводом на 2-11 фиксированных положений и числом плат от 1 до 4.
Контактная система ножевого типа имеет выводы, позволяющие присоединять монтажные провода пайкой.
Переключатели соответствуют техническим условиям АУБК.642110.004 ТУ.

Условия эксплуатации:


Температура окружающей среды от -60 до +85° С.
Относительная влажность до 98% при температуре +35° С.
Атмосферное давление от 0,66 до 106,6 кПа.

Обозначение переключателей:


Пример обозначения: ПГ2-17-3П4НВК, ПГ2-17-3П4НВР.
ПГ2 - переключатель галетный второй разработки;
1...24 - вариант исполнения;
2П...12П - число рабочих положений;
1Н...16Н - число направлений;
В - всеклиматическое исполнение;
Р (круглая) или К (клювик) - вид ручки.
Добавить отзыв
Ваша оценка:
Отправить отзыв

Похожие товары (8)

422.60 руб. / шт Цена не является конечной и требует уточнения у менеджера.
ПГ2-17-3П4НВ переключатель галетный
Задать вопрос

Ваше имя*
Контактный телефон*
E-mail
Вопрос*

* - Поля, обязательные для заполнения

Сообщение отправлено
Ваше сообщение успешно отправлено. В ближайшее время с Вами свяжется наш специалист
Закрыть окно
Купить в один клик
Заполните данные для заказа
Запросить стоимость товара
Заполните данные для запроса цены
Запросить цену Запросить цену